第02章-连续系统的时域分析(1)-LTI连续系统的响应
连续系统的描述:电路图建立微分方程
图示RLC电路,以$u_S(t)$作激励,以$u_C(t)$作为响应,由KVL和VAR列方程,并整理得 $$ \begin{cases} LC\frac{d^2u_c}{dt^2}+RC\frac{du_c}{d_t}+u_c=u_s \ u_c(0_+), u_c’(0_+) \end{cases} $$ 抽去具有的物理含义,微分方程写成: $$y’’(t)+a_1y’(t)+a_0y(t)=f(t)$$
微分方程的模拟框图
基本部件:加法器、数乘器、积分器
$$y’’(t)+a_1y’(t)+a_0y(t)=f(t)$$

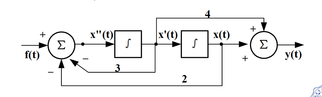
$$y’’(t)+3y’(t)+3y(t)=f(t)+4f’(t)$$
该方程右端含f(t)的导数,引入辅助函数画出框图
$$x’’(t)+3x’(t)+3x(t)=f(t)$$
由LTI特性可推导出
$$y(t) = 4x’(t) + x(t)$$

$$y’’(t)+2y’(t)+3y(t)=3f(t)+4f’(t)$$
LTI连续系统的响应
连续系统的初始值
基本要求:
- 了解初始值的概念
- 掌握系数匹配法
初始值是n阶系统在t=0时接入激励,其响应在$t=0_+$时刻的值,即$y(j)(0_+) (j=0,1,2…,n-1)$ 初始状态是指系统在激励尚未接入的$t=0_-$时刻的响应值$y(j)(0_-)$,该值反映了系统的历史情况,而与激励无关。为求解微分方程,需要从已知的初始状态$y(j)(0_-)$求得$y(j)(0_+)$
例1, 描述某系统的微分方程为: $y’’(t) + 3y’(t) + 2y(t) = 2f’(t) + 6f(t)$ 已知: $y(0_-)=2, y’(0_-)=0, f(t) = \varepsilon(t)$ 求初值 $y’(0_+)$ 和 $y(0_+)$
解: $y’’(t) + 3y’(t) + 2y(t) = 2\delta(t) + 6\varepsilon(t)$ 由系数匹配原则, $\delta(t)$ 只应出现在 $y’’(t)$ 中, 否则若在$y’(t)$或$y(t)$出现了$\delta(t)$, 则右侧就会出现冲激函数的(高阶)导数. 因此: $y’(t)$ 在 t=0 处发生了阶跃, 而 $y(t)$ 则在t=0处连续. 于是 $y(0_+) = y(0_-) = 2$. 对方程两端积分, 积分区间 $[0_-, 0_+]$(无穷小) $$(y’(0_+)-y’(0_-)) + 3(y(0_+)-y(0_-)) + 0 = 2 + 0 \rightarrow y’(0_+)=2$$
零输入响应
也即仅考虑系统状态时对系统输出进行求解, 由于是零输入, 因此微分方程右侧为0, 这就相当于求解齐次线性常微分方程. 初值求解: $y^j(0_-)=y_{zi}^j(0_-)+y_{zs}^j(0_-) = y_{zi}^j(0_-) = y_{zi}^j(0_+)$
例2, 描述某系统的微分方程为: $y’’(t) + 3y’(t) + 2y(t) = 2f’(t) + 6f(t)$ 已知: $y(0_-)=2, y’(0_-)=0$ 求该系统的零输入响应 解: 设系统的零输入响应为 $y_{zi}(t)$, 于是 $y_{zi}’’(t) + 3y_{zi}’(t) + 2y_{zi}(t) = 0$ 求解得: $y_{zi}(t) = C_1e^{-2t}+C_2e^{-t}$ 又: $y_{zi}(0_+)=y(0_-)=2, y_{zi}’(0_+)=y’(0_-)=0$ 得: $y_{zi}(t) = -2e^{-2t}+4e^{-t}$
零状态响应
初值: $y_{zs}^j(0_-)=0$ 例3, 描述某系统的微分方程为: $y’’(t) + 3y’(t) + 2y(t) = 2f’(t) + 6f(t)$ 已知: $y(0_-)=2, y’(0_-)=0, f(t) = \varepsilon(t)$. 求该系统的零状态响应 解: 先求解零输入响应, 由例2知: $y_{zi}(t) = -2e^{-2t}+4e^{-t}$. $y_{zi}(0_+)=y(0_-)=2, y_{zi}’(0_+)=y’(0_-)=0$ 又由例1知:$y(0_+) = y(0_-) = 2, y’(0_+)=2$. 故有: $y_{zs}(0_+)=0, y_{zs}’(0_+)=2$ 同时: $y’’{zs}(t) + 3y’{zs}(t) + 2y_{zs}(t) = 2\delta(t) + 6\varepsilon(t) \rightarrow$ $$y’’{zs}(t) + 3y’{zs}(t) + 2y_{zs}(t) = 6(t>0)$$ $y_{zs}(t) = e^{-2t}-4e^{-t}+3$
响应分类
-
固有响应和强迫响应 固有响应仅与系统本身的特性有关,而与激励的函数形式无关。 齐次解的函数形式仅与特征方程的根有关,特征方程的根称为系统的“固有频率” ,齐次解常称为系统的固有响应或自由响应。 强迫响应与激励的函数形式有关。特解的函数形式与激励的函数形式有关,常称为强迫响应
-
暂态响应和稳态响应 暂态响应是指响应中暂时出现的分量,随着时间的增长,它将消失。 稳态响应是稳定的分量,若存在,通常表现为阶跃函数和周期函数。比如,电路系统中的直流稳态响应和正弦稳态响应
冲激响应的定义和求法
冲激响应是由单位冲激函数$δ(t)$所引起的零状态响应,记为$h(t)$. 隐含条件是:
- $f(t) = \delta(t)$
- $h(0_-)=h’(0_-)=0$
基本信号:冲激函数$δ(t)$ 基本响应:冲激响应$h(t)$
描述二阶LTI系统的微分方程的一般形式为 $y’’(t) + ay’(t) + by(t) = cf’’(t) + df’(t) + ef(t)$ 选新变量$h_1(t)$,使它满足 $h_1’’(t) + ah_1’(t) + bh_1(t) = \delta(t)$ 则冲激响应: $h(t) = ch_1’’(t) + dh_1’(t) + eh_1(t)$
解: 由题意,
$x’’(t)+3x’(t)+2x(t)=f(t)$
$y(t) = 2x(t)-x’(t)$
得: $y’’(t)+3y’(t)+2y(t)=2f(t)-f’(t)$
设有$h_1(t)$, 满足:
$h_1’’(t)+3h_1’(t)+2h_1(t)=\delta(t)$, 且有:
$h_1(0_-) = h_1’(0_-) = 0$
则由系数比对原则, $h_1(0_+) = h_1(0_-) = 0, h_1’(0_+)=h_1’(0_-)+1=1$
立即解得: $h_1(t) = (e^{-t}-e^{-2t})\varepsilon(t)$
再由LTI系统的线性与微分性立即得: $y(t)=2h_1(t)-h_1’(t)=(3e^{-t}-4e^{-2t})\varepsilon(t)$
阶跃响应的定义和求法
阶跃响应是由单位阶跃函数$\varepsilon(t)$所引起的零状态响应,记为$g(t)$ $g(t)$隐含的条件: $f(t)=\varepsilon(t)$ $g(t_-)=g’(t_-)=0$ 基本信号:阶跃函数$ε(t)$ 基本响应:阶跃响应$g(t)$
求法: 方法一: 利用线性性质和微分性质; 方法二: 利用单位阶跃函数$ε(t)$与单位冲激函数$δ(t)$的关系.
问题同上一节, 使用两种方法求解该系统的阶跃响应 方法一, 解: 由题意, $x’’(t)+3x’(t)+2x(t)=f(t)$ $y(t) = 2x(t)-x’(t)$ 得: $y’’(t)+3y’(t)+2y(t)=2f(t)-f’(t)$ 设有函数$g_1(t)$, 满足: $g_1’’(t)+3g_1’(t)+2g_1(t)=\varepsilon(t)$ $g_1(0_+)=g_1(0_-)=0, g_1’(0_+)=g_1’(0_-)=0$ 其特征根为-1和-2,特解为0.5. 解得: $g_1(t) = (-e^{-t}+0.5e^{-2t}+0.5)\varepsilon(t)$ 由LTI特性可推导出: $$y(t) = 2g_1(t)-g_1’(t) \ = (-3e^{-t}+2e^{-2t}+1)\varepsilon(t) $$